欢迎来到河北友犇管业有限公司!

全国咨询热线 13283262888
河北友犇管业有限公司

河北友犇管业有限公司

欢迎来到河北友犇管业有限公司!

×
服务热线:

13283262888

通过微信扫一扫

更便捷的了解我们的产品

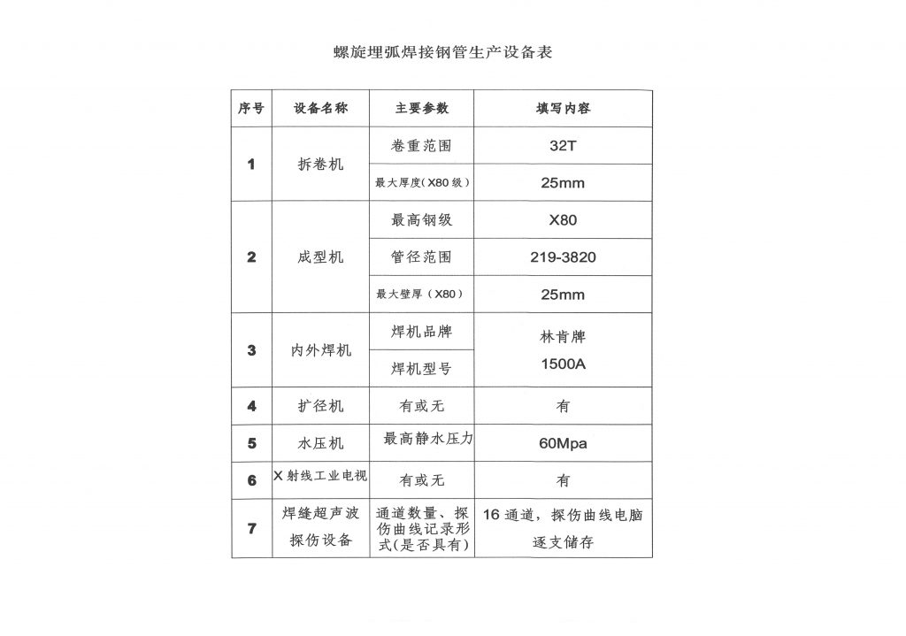
生产设备表

所属分类:企业资质

产品标签:

即时资讯:暂无

  • 特别说明:产品图片以及参数跟实际产品略有差异
  • 定制说明:一切规格按照客户实际情况或量身定制,支持非标定制。
  • 库存配送:有货,全国送货保障!
  • 温馨提示:本产品一经下单生产,非质量问题不支持退货!

详细描述DETAILED DESCRIPTION

页面版权备注

本文版权归 河北友犇管业有限公司 所有;本文共被查阅 2,603 次。

当前页面链接:https://www.coopipe.com/72.html

未经授权,禁止任何站点镜像、采集、或复制本站内容,违者通过法律途径维权到底!

与该文高相关内容的展示

河北友犇管业有限公司三大服务

工艺流程设计 工艺流程设计

先进的生产工艺与生产流程,保证每一根钢管的质量,做到每一个环节都精益求精,达到质量最大化。

立即咨询
根据需求定制 根据需求定制

公司拥有专业的技术与生产团队,可根绝客户要求订制专用的管道产品,以达到客户的个性化需求。

立即咨询
产品质量检测 产品质量检测

友犇管业产品均得到相关ISO认证与质量检测,每一根管道都让您放心使用。

立即咨询

选择友犇管业4大理由

钢管保温防腐涂塑加工生产厂家

1

资深螺旋钢管生产厂家

Senior Acoustic Tube Manufacturer

  • 专业服务团队,提供1对1跟单服务,确保钢管快速交付
  • 友犇管业是集科研、生产、服务为一体的生产型企业
  • 客材生产线45条,年产钢管能量可达500万吨以上
2

完善的质量检测管理体系

Internationalization of rigid standards

  • 多名资深超声波探伤认证资质的检验检测人员
  • 完整的物理和化学性能分析检测并出具相关的检测报告
  • 保证了产品从原材料入库到成品出库各个环节安全可靠
3

产品畅销世界各地好评

Environmental protection and energy

  • 公司拥有实力雄厚的科技队伍和管理队伍
  • 致力于螺旋钢管、防腐钢管产品开发和应用
  • 产品以其先进的技术和优良的服务销售国内外
4

客户为先满足客户需求

Close service gold medal customer

  • 只做精品不接受不良品、不制造不良品、不放行不良品
  • 目前与中石油、中石化国内外知名企业建立合作关系
  • 始终坚持”客户为先,满足客户需求”的服务宗旨,

期待与您的合作,欢迎给我们留言或直接拨打:13283262888

河北友犇管业有限公司

 

在线留言

留下您的信息,我们将第一时间和您取的联系!

[quform id="1" name="网站留言"]